
RUN 過45天後的聲音溫厚如管機
A類放大是不存在交越失真,所以音頻信號可以完整地傳輸,也是一般發燒友的最愛
對於JLH A類的輸出級是單端或推挽是常被討論的問題...這要看您從那觀點切入分析此電路,
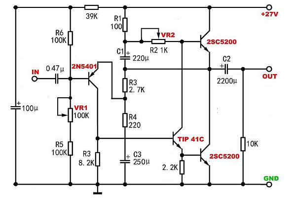
下圖是 JLH 1969 的原線路圖,看似簡單卻巧妙的將 Tr1、Tr2、Tr3 相結合後的複雜性...圍繞這
3顆晶體設計所形成的"環迴路",及內部產生的反饋交互作用...所以營造出非常好音質的表現!
放下這些爭執性的思考,好好的欣賞此電路巧妙的運作吧!依照原理做出有膽機味道的經典JLH

對於電路我還是簡單的說明一下,有助於瞭解電路後,可以從這經典的線路中修改其零件及設定,
可以提高功率來滿足自己的需求,或是減少功率做為耳機A類放大器(這也是我下一個想進行的項目)
由於用了圖中C1這個電容後,與R1、R2組成了自舉電路(增阻電路),當來自Tr3的交流訊號產生時,使
得Tr1及Tr2在交流訊號傳遞時,兩管互相激勵產生了類似推挽(Push-pull)的動作。也就是一管電流增大
時,另一管則減小。 若從另一角度來看...我們可以看出Tr2的信號輸入,變成了是由R2波動的電壓從
E極送入電晶體。輸出則由管子的C極輸出那麼...BE入、CE出...這不是同下管一樣是個共射極放大電
路了。這樣的變化起於由C1將R2跟Tr2的射極間的交流連接,於是兩功管都有了放大能力。所以,總
結一下 : Tr1 是射極放大電路,而上管Tr2也是它的(Tr1)集極有源負載,當然C1也是TR3負載電阻的交
流導通電容,可使環路增益提升及穩定性都得到了相對的保證,所以也不需要加高頻補償電路了。
==================================================================================
OK如果不明瞭也沒關係...直接做手實做吧!零件很少...失敗率很低!
但聲音能有多好,就要看您對此線路的理解力了!
先做2個+27V電源5A的電源供應開始,下圖是我實際用LM338K做的電源供應電路
1.230V可調,左右聲道分開單獨供應,所以要用2顆LM338做成2聲道其特點是:
串聯調整型電路、簡單又穩定、輸出電流大。額定電流可達5A,最大允許峰值電流為7A...
PS:LM338K 與 TIP41 2SC5200的假貨非常多...購買時找有信譽的商家吧!

我是利用搭棚架直接搭棚完成的(下圖),旋轉5K VR 看看電壓是否可以調整電壓,然後先放在+12V就好

此機 JLH 1969 主線路圖

上電測試時,先調整到用12V就好,調整主線路圖的 100K VR 使輸出中點電壓為6V(如下兩圖)


PS:注意先用12V測試的原因是怕為調整的靜態電流時過大,所以先用+12V低壓
如果電流過大致使電源線路上的5A保護保險絲燒斷時....
要特別注意!!! 換裝新保險絲時要先放掉8600uF電容的電流...不然會被電一下喔!
每聲道的電路我也是用搭棚的方式安裝,零件安排方式如下...然後在銅線將他們連接起來
PS:那顆在輸出端的10K電阻,也可以不用加

晶體的接腳定義(下兩圖可參考)


先用+12V的電源電壓來調整,旋轉R2 (1K VR) 將靜態電容關到最小(要串聯電表量)
再將電源電壓緩緩調升至+27V(一次先做一聲道就好,以免手忙腳亂)

再來調整中點電壓約為+13.5V

旋轉R2(1K VR)每聲道我是設定靜態電流約在1.251.5A之間

一邊熱機,一般來回測試中點電壓與靜態電流是否有漂移自己的設定點
單聲道時LM338K的溫度是40度,兩聲道後會升至6065度(還是OK的)

下圖是一聲道再測試時還未裝箱的溫度
實際裝箱後,在+27V與1.25A的靜態電流時散熱片是55度

電流量1.5A時,散熱片溫度約6065度

===============================================================
題外話可以裡用轉印紙用電腦印出自己的專屬 logo




完工!!!RUN了45天聲音漸入佳境,2SC5200非常有管味,可以說根本聽不出有晶體的毛噪感!
如此...又讓我想為她做2個mono-mono的級進式的VR了

正式材料表(有些零件都是我的老庫存)
| JLH A類10W AMP | ||
| 電源部份 | ||
| 橋式整流 | 2 | WE 478 |
| LM338K | 2 | 原裝ST |
| 10000uF/50V | 2 | nichicon FW |
| 2200uF/63V | 2 | nichicon FW |
| 1N4007 | 4 | ON |
| 150R | 2 | 2W 1% |
| 5K VR | 2 | 精密25轉 |
| 0.1F | 6 | PP |
| 10uF | 2 | MUSE |
| 6.8K | 2 | 2W 1% |
| FUES 盒 | 2 | |
| FUES 5A | 2 | |
| 環型電源變壓器 | 1 | 28V/3.6Ax2,15V/0.5AX2 |
| 7腳鍍金搭棚架 | 2 | |
| 主板 | ||
| 2N5401 | 2 | 原廠 藍面 老MOTO |
| TIP41C | 2 | 原廠ST |
| 2SC5200 | 4 | 原廠東芝 |
| 100K VR | 2 | 精密25轉 |
| 1K VR | 2 | 精密25轉 |
| 100R/5W | 2 | 德國VITROHM |
| 220R/3W | 2 | VISHAY |
| 2.2K/0.5W | 2 | DALE-VISHAY |
| 2.7K/3W | 2 | DALE-VISHAY |
| 8.2K/3W | 2 | VISHAY sfernice |
| 39K/2W | 2 | DALE-VISHAY |
| 100K/1W | 4 | VISHAY sfernice |
| 100uF/50V | 2 | MUSE BP |
| 220uF/50V | 2 | MUSE BP |
| 250uF/50V | 2 | 英國古董電容 |
| 2200uF/63V | 2 | nichicon KG type III |
| 0.47uF/400v | 2 | WIMA MKP10(中古) |
| 7腳鍍金搭棚架 | 6 | |


===============================================================



